Skip to main content

Introduction

  • Split design, supports multiple core boards with DSI and HDMI
  • Multiple sizes: 4.3 inches, 4 inches, 7 inches
  • High-definition resolution, capturing every detail
  • Supports 10-level brightness adjustment
  • Supports 180° screen rotation
Notes
  • The 7-inch screen can only be used with HDMI core boards
  • DSI cannot be used with the 7-inch screen

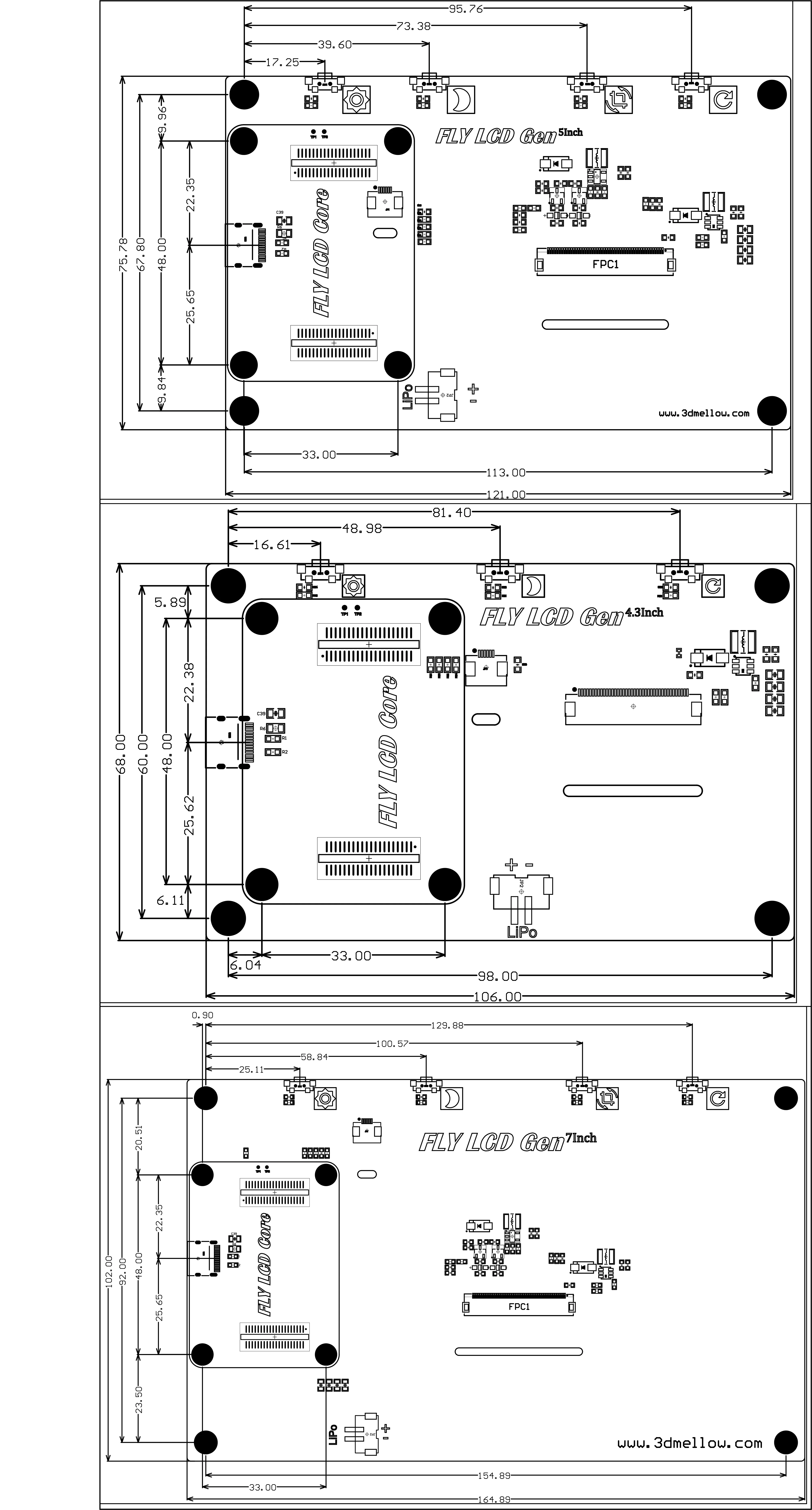
Product Dimensions

Loading...
Loading...
Loading...