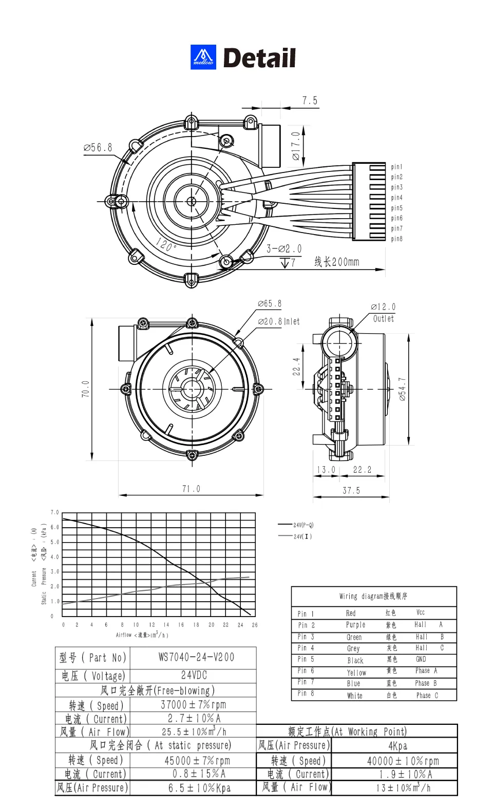
WS 7040


Product Features
- Maximum speed: 45000
- Maximum flow rate: 14.7CFM
- Optional accessories: Air intake filter, reduces operating noise, prevents foreign objects from entering the fan and damaging the blades, making the kit run more quietly and smoothly
Product Specifications

Precautions
Precautions
- Please note that the fan inlet needs to avoid foreign objects to prevent damage to the blades
- Please note that the maximum input power of the fan is 24V
Loading...