Перейти к основному содержанию

WS 7040

Loading...
Loading...

Особенности продукта

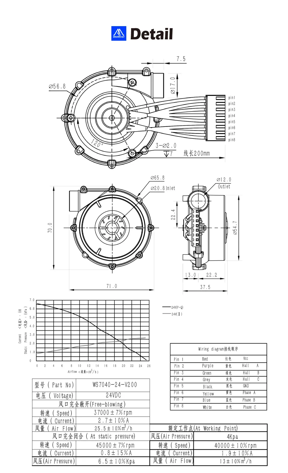
  • Максимальная скорость: 45000 об/мин
  • Максимальный расход воздуха: 14.7 CFM
  • Дополнительные аксессуары: воздушный фильтр, снижающий шум при работе, предотвращающий попадание посторонних предметов в вентилятор и повреждение лопастей, обеспечивающий более тихую и плавную работу комплекта

Технические характеристики

Loading...

Важные замечания

Важные замечания
  • Обратите внимание: необходимо избегать попадания посторонних предметов в вентиляционное отверстие, чтобы не повредить лопасти.
  • Обратите внимание: максимальное входное напряжение вентилятора составляет 24 В.
Loading...