Aller au contenu principal

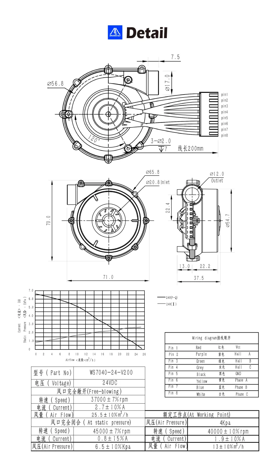
WS 7040

Loading...
Loading...

Caractéristiques du produit

  • Vitesse maximale : 45000
  • Débit d'air maximal : 14,7 CFM
  • Accessoires optionnels : Filtre d'admission, réduit le bruit de fonctionnement, empêche l'entrée d'objets étrangers dans le ventilateur qui pourraient endommager les pales, rendant ainsi le kit plus silencieux et stable lors de son fonctionnement

Spécifications du produit

Loading...

Avertissements

Avertissements
  • Veuillez noter que l'entrée du ventilateur doit éviter l'entrée d'objets étrangers qui pourraient endommager les pales
  • Veuillez noter que la tension d'alimentation maximale du ventilateur est de 24V
Loading...