본문으로 건너뛰기

WS 7040

Loading...
Loading...

제품 특징

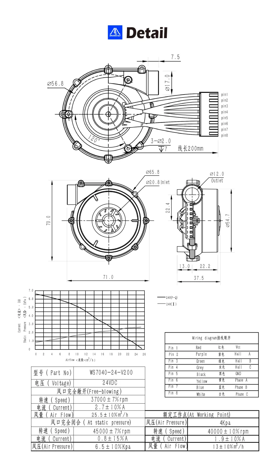
  • 최대 회전 속도: 45000
  • 최대 유량: 14.7CFM
  • 선택 가능한 액세서리: 흡기 필터, 작동 소음 감소, 이물질이 팬 내부로 들어가 블레이드를 손상시키는 것을 방지하여 키트 작동을 더 조용하고 안정적으로 만듦

제품 사양

Loading...

주의사항

주의사항
  • 팬 입구에 이물질이 들어가 블레이드가 손상되지 않도록 주의하십시오.
  • 팬의 최대 입력 전원은 24V입니다.
Loading...